e-rasva/e-rahti

S-Type Pro RF takanapamoottori

S-Type Pro RF -takanapamoottori (vapaapyörä) on suunniteltu E-Cargo- ja E-Fat-pyörille, ja sen nimellisteho on 750–1500 W. Siinä on 7-nopeuksinen vapaapyörä, 175 mm:n pudotus ja huippuvääntömomentti yli 145 Nm. Tämä moottori tarjoaa vahvan pidon alhaisissa nopeuksissa ja takaa vakaan kiipeämiskyvyn jyrkissä rinteissä ja pehmeässä hiekassa ja ratkaisee tehokkaasti tehopuutteita suuressa kuormituksessa. Varustettu HENTACHin patentoiduilla muovi-teräsvaihteilla, se tarjoaa 5-kertaisen vääntökapasiteetin perinteisiin nailonvaihteisiin verrattuna, kestää yli 40 000 km ja vähentää merkittävästi ylläpitokustannuksia. Yli 1000 W:n sähköpyöräsovelluksissa vain Hengtain muoviteräksiset vaihteet kestävät jatkuvaa yli 100 Nm:n vääntömomenttia.

Avainparametri
Moottorin rakenne: Nimellisjännite (V): Nimellisteho (W):
/ 36-60 600-1500
Huippuvääntömomentti (N.m.): Paino (KG): VANHA (mm):
145 5.8 175
yksityiskohtaiset tiedot
  • S-Type Pro RF takanapamoottori
  • S-Type Pro RF takanapamoottori
Ningbo Yinzhou HENTACH Electromechanical Co., Ltd. Product Parameters Ningbo Yinzhou HENTACH Electromechanical Co., Ltd. Drawing Ningbo Yinzhou HENTACH Electromechanical Co., Ltd. Contact Us

Ydintiedot

Nimellisteho 600-1500
Nimellisjännite 36-60
Pyörän halkaisija 20-26
Eipeusalue 35-65
Suurin vääntömomentti 145
Välityssuhde 5
Paino (kg) 5.8

Asennusparametrit

Jarru Levyjarru
Vääntömomenttianturin kasetti No
Kaapelointireitti Akselin puoli vasen
Puolareikä 2-18-Ф3.2
Vesitiivis luokitus IP54 (jopa IP65)
Vauhtipyörä/ketjupyörä pyörrenopeus seitsemän nopeutta
Sertifikaatit TUV/EN15194/RoHS

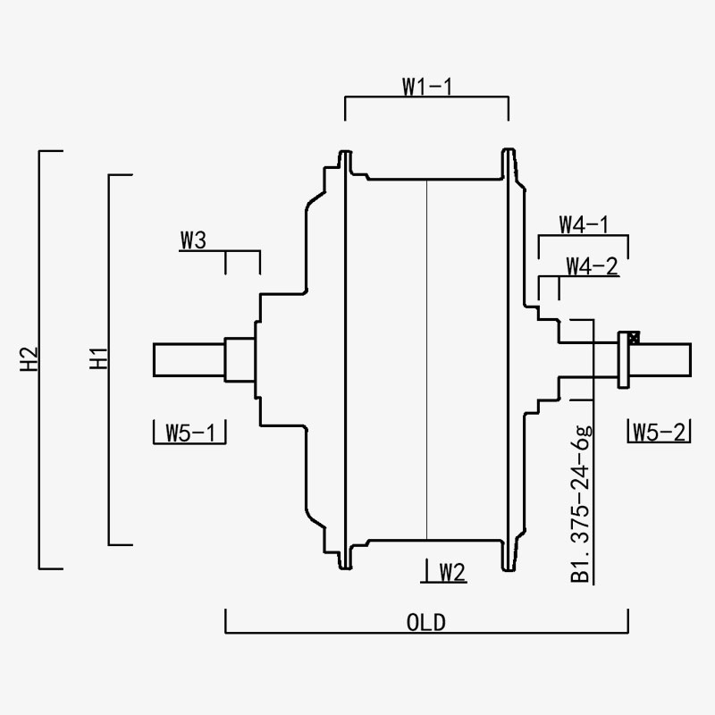
H1/ OD: 162
H2/moottorin ulkohalkaisija: 183
W1(-1/-2): 70.8
V2: 0
W3: 15.2
W4(-1/-2): 39/9
W5(-1/-2): 31/27
VANHA: 175
Akselin pituus: 233
Ningbo Yinzhou HENTACH Electromechanical Co., Ltd.
ota meihin yhteyttä
  • Lähetä ja lähetä
Ningbo Yinzhou HENTACH Electromechanical Co., Ltd.
MITÄ MEIDÄT EROTTAA ERITTÄIN
  • Tehokas takavedon napamoottori 175 mm:n avoimella vaihteella, jopa 1500 wattia.

  • Keksityt patentoidut muovivaihteet: 5 kertaa nylonhammaspyörän vääntömomentti; käyttöikä yli 40 000 km; alhaisempi jälkimyynti

  • Pysäytysmomentti jopa 145 NM tai enemmän, suunniteltu efat/Cargolle.

KETÄ ME OLEMME Enemmän kuin 20 vuotta tuotantokokemusta.

Ningbo Yinzhou HENTACH Electromechanical Co., Ltd. (Entinen Hengtai Motor) Vuonna 1995 perustettu ja aiemmin nimellä "Hengtai Motor" (yrityksemme kiinalainen nimi) otettiin käyttöön virallisesti englanninkielinen nimi "HENTACH Motor" vuonna 2020. Molemmat nimet edustavat samaa luotettavaa valmistajaa, joka on omistautunut sähkömekaanisiin innovaatioihin yli 30 vuoden ajan. Erikoistunut sähköajoneuvojen pienten tasavirtamoottoreiden, sähkö-/moottoripyörien napamoottoreiden ja alumiini-magnesiumseosten valuun ja tarkkuuteen, yhdistämme tiukan ISO 9001 -laadunvalvontajärjestelmän, kypsät hallintakäytännöt ja huippuluokan valmistus-/testauslaitteet luotettavien ratkaisujen tuottamiseksi.

Tarjoamme kokonaisvaltaista palvelua raaka-aineiden valamisesta lopputuotteiden toimitukseen ja palvelemme monipuolisia markkinoita, kuten sähköpyöriä, kuorma-autoja, vihiajoneuvoja, golfautoja, maatalouskoneita ja sähkökarting-ajoneuvoja. Yli 9 000 neliömetrin kampusalueellamme (5 000 neliömetrin rakennettu pinta-ala) on yli 60 edistynyttä tuotantolaitetta, mukaan lukien 500 tonnin painevalukoneita, tarkkuus-CNC-työstökoneita, lasermerkintäjärjestelmiä, mikrokaarihapetuslinjoja ja kaksi erillistä sähköajoneuvojen moottoreiden testipenkkiä. Tämä infrastruktuuri varmistaa tehokkaan tuotannon ja kansainvälisten laatustandardien tiukan noudattamisen.

HENTACHissa (Hengtai) asetamme etusijalle korkealaatuiset materiaalit ja patentoidun teknologian – patentoitu nailonteräsvarusteemme on osoitus teknisestä huippuosaamisestamme. Kestävyyden vahvistamiseksi käynnistimme kerran kilometritakuuohjelman moottoreille, jotka ylittävät 30 000 mailia. Tulos? Yli 50 moottoria paitsi täytti tämän vertailuarvon, myös ylitti sen, ja jotkut saavuttivat vaikuttavat 50 000 mailia. Tämä todellinen suorituskyky kuvastaa horjumatonta keskittymistämme luotettavuuteen ja motivoi meitä jatkuvasti innovoimaan älykkäämpiä ja vahvempia moottoriratkaisuja.​
Luota brändiin, joka tunnetaan maailmanlaajuisesti sekä Hengtai Motorina että HENTACH Motorina – jossa patentoitu teräsvaihteistoinnovaatio kohtaa todistetun kestävyyden.

Sertifioi Sertifikaatit