E-kaupunki

C-tyypin R350 takanapamoottori

C-Type R350 -takanapamoottori, joka on suunniteltu kaupunkien sähköpyöriin, tarjoaa 250-400 W:n nimellistehoalueen ja tukee vapaapyörän yksi- tai 7-vaihteista kierrettä. Yhteensopiva 36 V tai 48 V järjestelmien kanssa, se tarjoaa vakaan suorituskyvyn jopa IP65 vedenpitävyysluokilla. Moottorin vääntömomentti on 45 Nm, ja siinä on kestävät HT-patentoidut muovi-teräsvaihteet, jotka ovat ihanteellisia toistuviin pysähdyksiin ja käynnistyksiin kaupunkiympäristöissä ja sähköjarrusovelluksissa.

Avainparametri
Moottorin rakenne: Nimellisjännite (V): Nimellisteho (W):
Takaveto napamoottori 36-48 250-400
Huippuvääntömomentti (N.m.): Paino (KG): VANHA (mm):
45 3 137
yksityiskohtaiset tiedot
  • C-tyypin R350 takanapamoottori
  • C-tyypin R350 takanapamoottori
Ningbo Yinzhou HENTACH Electromechanical Co., Ltd. Product Parameters Ningbo Yinzhou HENTACH Electromechanical Co., Ltd. Drawing Ningbo Yinzhou HENTACH Electromechanical Co., Ltd. Contact Us

Ydintiedot

Nimellisteho 250-400
Nimellisjännite 36-48
Pyörän halkaisija 20-28
Eipeusalue 25-38
Suurin vääntömomentti 45
Välityssuhde 4.43
Paino (kg) 3

Asennusparametrit

Jarru Levyjarru
Vääntömomenttianturin kasetti No
Kaapelointireitti Akseli Keski-oikea
Puolareikä 2-18-Ф3.2
Vesitiivis luokitus IP54 (jopa IP65)
Vauhtipyörä/ketjupyörä Pyörivä 7-vaihteinen
Sertifikaatit TUV/EN15194/RoHS/UL1004-1

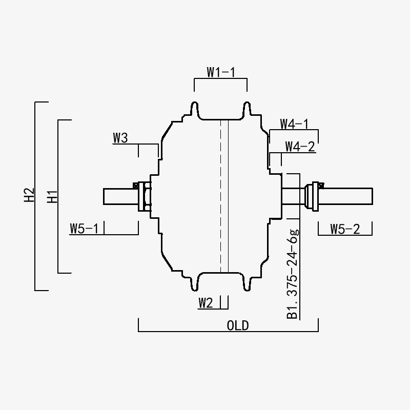
H1/ OD: 117
H2/moottorin ulkohalkaisija: 144
W1(-1/-2): 40
V2: 5.9
W3: 15.2
W4(-1/-2): 37/9
W5(-1/-2): 26,5/41,5
VANHA: 137
Akselin pituus: 205
Ningbo Yinzhou HENTACH Electromechanical Co., Ltd.
ota meihin yhteyttä
  • Lähetä ja lähetä
Ningbo Yinzhou HENTACH Electromechanical Co., Ltd.
MITÄ MEIDÄT EROTTAA ERITTÄIN
  • Paino on vain 3 kg, ja vääntömomentti voi olla 45 NM.

  • Patentoitu muovinen teräsvaihteisto: 5 kertaa nylonvaihteiston vääntömomentti; käyttöikä on yli 40 000 kilometriä; alhaisempi jälkimyynti

  • Varustettu pyörivällä 7-vaihteisella vauhtipyörällä, 137 mm:n vaihteistoaukko, suunniteltu c-citylle

KETÄ ME OLEMME Enemmän kuin 20 vuotta tuotantokokemusta.

Ningbo Yinzhou HENTACH Electromechanical Co., Ltd. (Entinen Hengtai Motor) Vuonna 1995 perustettu ja aiemmin nimellä "Hengtai Motor" (yrityksemme kiinalainen nimi) otettiin käyttöön virallisesti englanninkielinen nimi "HENTACH Motor" vuonna 2020. Molemmat nimet edustavat samaa luotettavaa valmistajaa, joka on omistautunut sähkömekaanisiin innovaatioihin yli 30 vuoden ajan. Erikoistunut sähköajoneuvojen pienten tasavirtamoottoreiden, sähkö-/moottoripyörien napamoottoreiden ja alumiini-magnesiumseosten valuun ja tarkkuuteen, yhdistämme tiukan ISO 9001 -laadunvalvontajärjestelmän, kypsät hallintakäytännöt ja huippuluokan valmistus-/testauslaitteet luotettavien ratkaisujen tuottamiseksi.

Tarjoamme kokonaisvaltaista palvelua raaka-aineiden valamisesta lopputuotteiden toimitukseen ja palvelemme monipuolisia markkinoita, kuten sähköpyöriä, kuorma-autoja, vihiajoneuvoja, golfautoja, maatalouskoneita ja sähkökarting-ajoneuvoja. Yli 9 000 neliömetrin kampusalueellamme (5 000 neliömetrin rakennettu pinta-ala) on yli 60 edistynyttä tuotantolaitetta, mukaan lukien 500 tonnin painevalukoneita, tarkkuus-CNC-työstökoneita, lasermerkintäjärjestelmiä, mikrokaarihapetuslinjoja ja kaksi erillistä sähköajoneuvojen moottoreiden testipenkkiä. Tämä infrastruktuuri varmistaa tehokkaan tuotannon ja kansainvälisten laatustandardien tiukan noudattamisen.

HENTACHissa (Hengtai) asetamme etusijalle korkealaatuiset materiaalit ja patentoidun teknologian – patentoitu nailonteräsvarusteemme on osoitus teknisestä huippuosaamisestamme. Kestävyyden vahvistamiseksi käynnistimme kerran kilometritakuuohjelman moottoreille, jotka ylittävät 30 000 mailia. Tulos? Yli 50 moottoria paitsi täytti tämän vertailuarvon, myös ylitti sen, ja jotkut saavuttivat vaikuttavat 50 000 mailia. Tämä todellinen suorituskyky kuvastaa horjumatonta keskittymistämme luotettavuuteen ja motivoi meitä jatkuvasti innovoimaan älykkäämpiä ja vahvempia moottoriratkaisuja.​
Luota brändiin, joka tunnetaan maailmanlaajuisesti sekä Hengtai Motorina että HENTACH Motorina – jossa patentoitu teräsvaihteistoinnovaatio kohtaa todistetun kestävyyden.

Sertifioi Sertifikaatit