E-tie / E-kaupunki

HT MINI vapaapyöräinen takanapamoottori

HT MINI Thread on Freewheel-napamoottori on suunniteltu e-city- ja maantiepyöriin, mikä tekee siitä yhden markkinoiden pienimmistä ulkoroottorin napamoottoreista. Se on yhteensopiva 36 V - 48 V akkujärjestelmien kanssa, painaa vain 1,95 kg ja tarjoaa 220 W:n nimellistehon yli 30 Nm:n vääntömomentilla. Moottori voi saavuttaa jopa 250 W tehon 40 Nm:n jumitusmomentilla. Sen ulkoroottorirakenne vähentää kumulatiivisia virheitä, mikä parantaa lujuutta, vakautta ja kestävyyttä.

Avainparametri
Moottorin rakenne: Nimellisjännite (V): Nimellisteho (W):
Outrunner Hub -moottori 36-48 180-250
Huippuvääntömomentti (N.m.): Paino (KG): VANHA (mm):
40 1,95(220w) 135
yksityiskohtaiset tiedot
  • HT MINI vapaapyöräinen takanapamoottori
  • HT MINI vapaapyöräinen takanapamoottori
Ningbo Yinzhou HENTACH Electromechanical Co., Ltd. Product Parameters Ningbo Yinzhou HENTACH Electromechanical Co., Ltd. Drawing Ningbo Yinzhou HENTACH Electromechanical Co., Ltd. Contact Us

Ydintiedot

Nimellisteho 180-250
Nimellisjännite 36-48
Pyörän halkaisija 20-28
Eipeusalue 25-38
Suurin vääntömomentti 40
Välityssuhde 5
Paino (kg) 1,95 (220w)

Asennusparametrit

Jarru Levyjarru
Vääntömomenttianturin kasetti No
Kaapelointireitti Akseli Keski-oikea
Puolareikä 2-18-Ф3.2
Vesitiivis luokitus IP54 (jopa IP65)
Vauhtipyörä/ketjupyörä Pyörivä 7-vaihteinen
Sertifikaatit TUV/EN15194/RoHS

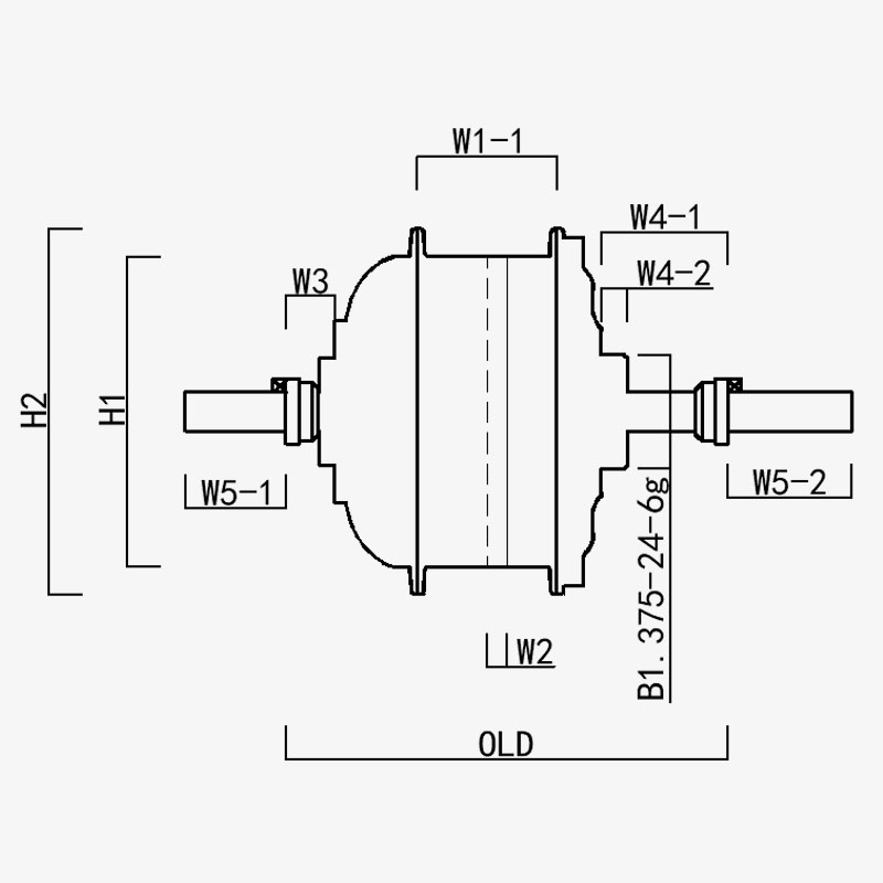
H1/ OD: 95.5
H2/moottorin ulkohalkaisija: 112.5
W1(-1/-2): 43
V2: 6
W3: 15
W4(-1/-2): 39/9
W5(-1/-2): 31/39
VANHA: 135
Akselin pituus: 205
Ningbo Yinzhou HENTACH Electromechanical Co., Ltd.
ota meihin yhteyttä
  • Lähetä ja lähetä
Ningbo Yinzhou HENTACH Electromechanical Co., Ltd.
MITÄ MEIDÄT EROTTAA ERITTÄIN
  • Moottorin ulkohalkaisija on 95 mm, ja siinä on 7-nopeuksinen pyörivä vauhtipyörä, joka painaa vain 1,95 kg, ultrakevyt ulkoroottorimoottori, nimellisteho 250 W ja jumitusmomentti jopa 40 NM. Sähköpyörän kumppani.

  • Patentoitu muovinen teräshammaspyörä: 5 kertaa nylonhammaspyörän vääntömomentti; käyttöikä yli 40 000 kilometriä; alhaisempi jälkimyynti

  • Ulkoroottorimoottori: vakaampi rakenne kuin sisäroottori, pienempi vikaprosentti

KETÄ ME OLEMME Enemmän kuin 20 vuotta tuotantokokemusta.

Ningbo Yinzhou HENTACH Electromechanical Co., Ltd. (Entinen Hengtai Motor) Vuonna 1995 perustettu ja aiemmin nimellä "Hengtai Motor" (yrityksemme kiinalainen nimi) otettiin käyttöön virallisesti englanninkielinen nimi "HENTACH Motor" vuonna 2020. Molemmat nimet edustavat samaa luotettavaa valmistajaa, joka on omistautunut sähkömekaanisiin innovaatioihin yli 30 vuoden ajan. Erikoistunut sähköajoneuvojen pienten tasavirtamoottoreiden, sähkö-/moottoripyörien napamoottoreiden ja alumiini-magnesiumseosten valuun ja tarkkuuteen, yhdistämme tiukan ISO 9001 -laadunvalvontajärjestelmän, kypsät hallintakäytännöt ja huippuluokan valmistus-/testauslaitteet luotettavien ratkaisujen tuottamiseksi.

Tarjoamme kokonaisvaltaista palvelua raaka-aineiden valamisesta lopputuotteiden toimitukseen ja palvelemme monipuolisia markkinoita, kuten sähköpyöriä, kuorma-autoja, vihiajoneuvoja, golfautoja, maatalouskoneita ja sähkökarting-ajoneuvoja. Yli 9 000 neliömetrin kampusalueellamme (5 000 neliömetrin rakennettu pinta-ala) on yli 60 edistynyttä tuotantolaitetta, mukaan lukien 500 tonnin painevalukoneita, tarkkuus-CNC-työstökoneita, lasermerkintäjärjestelmiä, mikrokaarihapetuslinjoja ja kaksi erillistä sähköajoneuvojen moottoreiden testipenkkiä. Tämä infrastruktuuri varmistaa tehokkaan tuotannon ja kansainvälisten laatustandardien tiukan noudattamisen.

HENTACHissa (Hengtai) asetamme etusijalle korkealaatuiset materiaalit ja patentoidun teknologian – patentoitu nailonteräsvarusteemme on osoitus teknisestä huippuosaamisestamme. Kestävyyden vahvistamiseksi käynnistimme kerran kilometritakuuohjelman moottoreille, jotka ylittävät 30 000 mailia. Tulos? Yli 50 moottoria paitsi täytti tämän vertailuarvon, myös ylitti sen, ja jotkut saavuttivat vaikuttavat 50 000 mailia. Tämä todellinen suorituskyky kuvastaa horjumatonta keskittymistämme luotettavuuteen ja motivoi meitä jatkuvasti innovoimaan älykkäämpiä ja vahvempia moottoriratkaisuja.​
Luota brändiin, joka tunnetaan maailmanlaajuisesti sekä Hengtai Motorina että HENTACH Motorina – jossa patentoitu teräsvaihteistoinnovaatio kohtaa todistetun kestävyyden.

Sertifioi Sertifikaatit