E-rahti

P-tyypin R500 takanapamoottori

Erityisesti rahtikäyttöön suunniteltu P-Type R500 E-Cargo Bike -takanapamoottori tarjoaa 500 W:n nimellistehon, mikä tarjoaa vahvan ja vakaan tehon raskaaseen kuormaukseen ja pitkän matkan kuljetuksiin. Se varmistaa tehokkaan ja vakaan suorituskyvyn monimutkaisissa kaupunkiolosuhteissa, rinteissä tai täyteen lastattuna, mikä parantaa merkittävästi lastin tehokkuutta. Lisäksi se vähentää energiankulutusta tasaisessa maastossa ja suuremmilla nopeuksilla, mikä parantaa yleistä pyöräilytehokkuutta.

Avainparametri
Moottorin rakenne: Nimellisjännite (V): Nimellisteho (W):
Takaveto napamoottori 36-48 350-500
Huippuvääntömomentti (N.m.): Paino (KG): VANHA (mm):
50 3.85 160
yksityiskohtaiset tiedot
  • P-tyypin R500 takanapamoottori
  • P-tyypin R500 takanapamoottori
Ningbo Yinzhou HENTACH Electromechanical Co., Ltd. Product Parameters Ningbo Yinzhou HENTACH Electromechanical Co., Ltd. Drawing Ningbo Yinzhou HENTACH Electromechanical Co., Ltd. Contact Us

Ydintiedot

Nimellisteho 350-500
Nimellisjännite 36-48
Pyörän halkaisija 20-26
Eipeusalue 25-35
Suurin vääntömomentti 50
Välityssuhde 5
Paino (kg) 3.85

Asennusparametrit

Jarru Levyjarru
Vääntömomenttianturin kasetti No
Kaapelointireitti Akseli keskellä vasen
Puolareikä 2-18-Ф3.2
Vesitiivis luokitus IP54 (jopa IP65)
Vauhtipyörä/ketjupyörä Pyörivä 7-vaihteinen
Sertifikaatit TUV/EN15194/RoHS

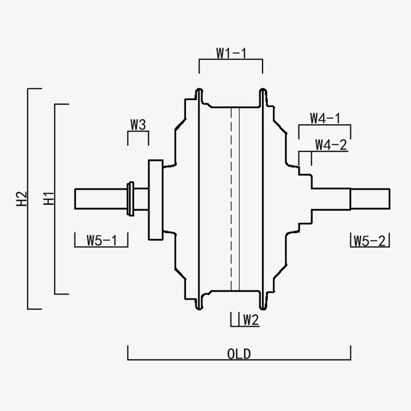
H1/ OD: 136.5
H2/moottorin ulkohalkaisija: 158.5
W1(-1/-2): 45.5
V2: 6
W3: 15
W4(-1/-2): 37/9
W5(-1/-2): 38/28
VANHA: 160
Akselin pituus: 226
Ningbo Yinzhou HENTACH Electromechanical Co., Ltd.
ota meihin yhteyttä
  • Lähetä ja lähetä
Ningbo Yinzhou HENTACH Electromechanical Co., Ltd.
MITÄ MEIDÄT EROTTAA ERITTÄIN
  • Tehokas takaveto napamoottori, joka on suunniteltu erityisesti sähköavusteisille rasvarengaspyörille, jossa on 7-nopeuksinen pyörivä vauhtipyörä, 160 mm:n vaihteistoaukko ja jopa 500 watin nimellisteho.

  • Patentoitu muovinen teräshammaspyörä: 5 kertaa nylonhammaspyörän vääntömomentti; käyttöikä yli 40 000 kilometriä; alhaisempi jälkimyynti

  • Pysäytysmomentti yli 50 NM, suunniteltu erityisesti eCargolle.

KETÄ ME OLEMME Enemmän kuin 20 vuotta tuotantokokemusta.

Ningbo Yinzhou HENTACH Electromechanical Co., Ltd. (Entinen Hengtai Motor) Vuonna 1995 perustettu ja aiemmin nimellä "Hengtai Motor" (yrityksemme kiinalainen nimi) otettiin käyttöön virallisesti englanninkielinen nimi "HENTACH Motor" vuonna 2020. Molemmat nimet edustavat samaa luotettavaa valmistajaa, joka on omistautunut sähkömekaanisiin innovaatioihin yli 30 vuoden ajan. Erikoistunut sähköajoneuvojen pienten tasavirtamoottoreiden, sähkö-/moottoripyörien napamoottoreiden ja alumiini-magnesiumseosten valuun ja tarkkuuteen, yhdistämme tiukan ISO 9001 -laadunvalvontajärjestelmän, kypsät hallintakäytännöt ja huippuluokan valmistus-/testauslaitteet luotettavien ratkaisujen tuottamiseksi.

Tarjoamme kokonaisvaltaista palvelua raaka-aineiden valamisesta lopputuotteiden toimitukseen ja palvelemme monipuolisia markkinoita, kuten sähköpyöriä, kuorma-autoja, vihiajoneuvoja, golfautoja, maatalouskoneita ja sähkökarting-ajoneuvoja. Yli 9 000 neliömetrin kampusalueellamme (5 000 neliömetrin rakennettu pinta-ala) on yli 60 edistynyttä tuotantolaitetta, mukaan lukien 500 tonnin painevalukoneita, tarkkuus-CNC-työstökoneita, lasermerkintäjärjestelmiä, mikrokaarihapetuslinjoja ja kaksi erillistä sähköajoneuvojen moottoreiden testipenkkiä. Tämä infrastruktuuri varmistaa tehokkaan tuotannon ja kansainvälisten laatustandardien tiukan noudattamisen.

HENTACHissa (Hengtai) asetamme etusijalle korkealaatuiset materiaalit ja patentoidun teknologian – patentoitu nailonteräsvarusteemme on osoitus teknisestä huippuosaamisestamme. Kestävyyden vahvistamiseksi käynnistimme kerran kilometritakuuohjelman moottoreille, jotka ylittävät 30 000 mailia. Tulos? Yli 50 moottoria paitsi täytti tämän vertailuarvon, myös ylitti sen, ja jotkut saavuttivat vaikuttavat 50 000 mailia. Tämä todellinen suorituskyky kuvastaa horjumatonta keskittymistämme luotettavuuteen ja motivoi meitä jatkuvasti innovoimaan älykkäämpiä ja vahvempia moottoriratkaisuja.​
Luota brändiin, joka tunnetaan maailmanlaajuisesti sekä Hengtai Motorina että HENTACH Motorina – jossa patentoitu teräsvaihteistoinnovaatio kohtaa todistetun kestävyyden.

Sertifioi Sertifikaatit